Bi-metallic Thermometer for Liquid and Gas Measurement - TBF-225

Bi-metallic Thermometer TBF-225 for Accurate Temperature Measurement

Manufacturer: AO PO FIZTEKH OJSC
Price: Request Quote

Bulk pricing available

FOB, CIF & EXW terms available

Description

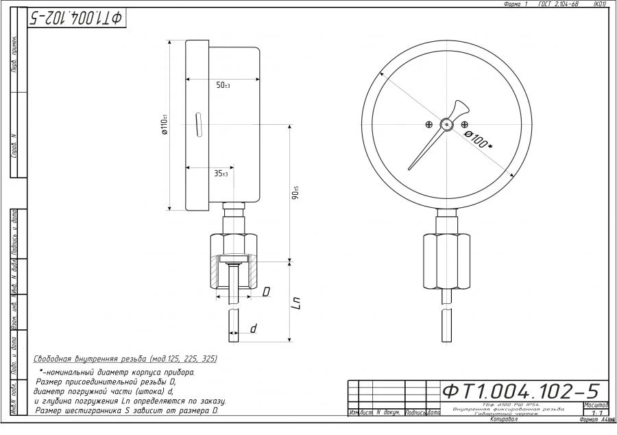
Thermometers bimetallic TBf are designed to measure the temperature of liquid and gaseous media, not aggressive to the material of protective sleeves or thermoballoon (in the absence of a protective sleeve), as well as the temperature of bulk solids and solids. Thermometers are manufactured with radial (RS) location of the thermoballoon relative to the body. The thermometers can have a zero corrector located on the end of the thermoballoon or on the body.

The design of the socket is free internal thread. Thermometers can be referred to explosion-protected equipment of group II according to GOST 31441.1-2011 (EN 13463-1:2001), GOST 30852.0-2002 (IEC 6079-0:1998) and are intended for use in places (except underground mine workings and their above-ground structures), hazardous by explosive gas environments in accordance with the assigned explosion protection marking.

Specifications

Body diameter
100 mm
Stem arrangement
radial
Availability of protective sleeves in the set
Armoured glass
Number of protective sleeves in the set
1 pcs
Measuring limit, max
600 °C
Measuring limit, min
-60 °C
Accuracy class
2.5
Length of immersion part
1 mm
Material of protective armature
Stainless steel
Insulation of the working end
airtight
Degree of protection
IP54
Type
TBf
Type of climatic version
UHL1
Unit designation
TBf-225 IP54 100 RSH

Note: All specifications are provided by the manufacturer and may be subject to change. Please contact us to confirm the latest specifications before placing your order.

Save Your Time

Share your requirements for a quick response!

Instant response in 15 minutes
Best wholesale prices guaranteed
Direct from manufacturer

Delivery & Payment

Shipping Terms

FOB Novorossiysk, Russia CIF Available to major ports worldwide EXW Manufacturer's facility, Russia

Delivery Time

Sea freight: 30-60 days (depending on destination) Air freight: 14-21 days (for urgent orders)

Payment Methods

Letter of Credit (L/C) Wire Transfer (T/T) Escrow Services

Similar Products You May Be Interested In

Verified Suppliers

All products are sourced directly from authorized Russian manufacturers

Quality Assurance

Products meet international quality standards with proper certification

Global Shipping

Reliable logistics solutions to deliver products to your location

Secure Payments

Multiple secure payment options to facilitate international transactions

Your callback request has been received. We'll contact you shortly.