Available for Import
Fountain Valve Manifolds for Oil and Gas Field Development and Operations
Bulk pricing available
FOB, CIF & EXW terms available
Description
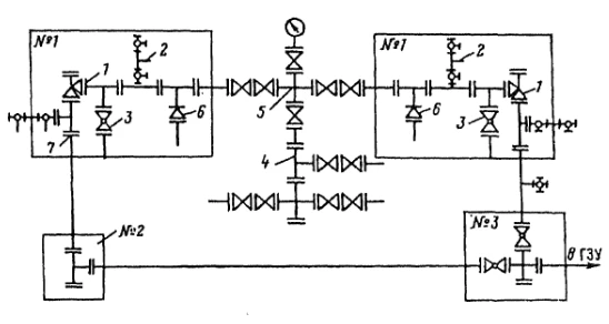
Manifolds of well fittings/armature blocks are designed to perform various technological operations during well start-up and operation. They are supplied as a set of separate assemblies. The main advantages: reduction of equipment completion and installation time; the number of welded joints during field installation is minimised (no more than 2% of the total number of welds).
Specifications
Share your requirements for a quick response!
Delivery & Payment
Shipping Terms
Delivery Time
Payment Methods
Similar Products You May Be Interested In
9-Signal Sound and Light Alarm Column SS-24-SK9M
View DetailsRotating Module for Self-Service Counters MП-45КМ-01
View DetailsPMKN-132-10 Metal-Ceramic Heating Plate 36V 65x5x1.5mm
View DetailsFlanged Non-Return Shut-Off Valve DN 65 PN 10 Series 458 (KMIА.491925.001-05)
View DetailsAutomatic Tunnel Type Sterilizer Model GKA
View DetailsStationary Shredder for Material Reduction, Model TT-1400 US
View DetailsDegassing Covers KД-150 for Oil Tankers
View DetailsGas-Liquid Separation and Cleaning Unit Blocks
View DetailsTesting Stands for Wellhead and Blowout Prevention Equipment PKTBA-CI-PVO (CI-PVO)
View DetailsGas Fire Suppression Module MGPT-65-100-50-P-01-A eF5.887.004-32
View DetailsWastewater Treatment System Ekomar 6 for Vessels
View DetailsWelding Manipulator MS-5 UZ with Control Cabinet and Remote
View DetailsVerified Suppliers
All products are sourced directly from authorized Russian manufacturers
Quality Assurance
Products meet international quality standards with proper certification
Global Shipping
Reliable logistics solutions to deliver products to your location
Secure Payments
Multiple secure payment options to facilitate international transactions