High-Performance Horizontal Three-Stage Gear Reducer C2-750SPSh

Horizontal Three-Stage Cylindrical Gear Reducer C2-750SPSh for Enhanced Performance

Manufacturer: SPIN LLC
Price: Request Quote

Bulk pricing available

FOB, CIF & EXW terms available

Description

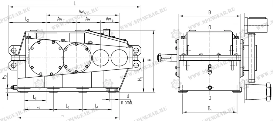
The Horizontal Three-Stage Cylindrical Gear Reducer C2-750SPSh is engineered to provide exceptional performance and reliability in various industrial applications. This robust gear reducer features a three-stage design, which ensures optimal torque transmission and efficiency. Constructed with a sturdy welded steel housing, it is designed to withstand demanding operating conditions while delivering consistent performance.

**Features:**

  • - **Three-Stage Configuration:** Provides high reduction ratios with increased torque output, making it ideal for heavy-duty applications.
  • **Chevron Design:** Enhances load distribution and reduces noise during operation, contributing to a quieter and more efficient performance.
  • **Durable Construction:** The welded steel housing ensures longevity and resistance to wear, making it suitable for harsh environments.
**Benefits:**
  • - **High Torque Capacity:** With a torque range of 20,600 to 73,000 N*m, this gear reducer can handle significant loads, ensuring efficient operation in various machinery.
  • **Versatile Applications:** Suitable for use in heavy machinery, conveyors, and various industrial equipment, making it a versatile choice for manufacturers.
  • **Reliable Performance:** The design minimizes maintenance needs and maximizes uptime, providing a cost-effective solution for businesses.
**Specifications:**
  • - **Gear Ratio Options:** Available with reduction ratios of U=40 or U=50, catering to different operational requirements.
  • **Weight:** The gear reducer weighs between 1500 to 1600 kg, providing stability and robustness during operation.
In summary, the Horizontal Three-Stage Cylindrical Gear Reducer C2-750SPSh is a top-tier solution for industries seeking reliability, efficiency, and high torque output.

Its advanced design and durable construction make it an ideal choice for various industrial applications.

Specifications

Weight
1500...1600 kg
Center distance between input and output shaft stages
750 mm
Gear ratio
40
Save Your Time

Share your requirements for a quick response!

Instant response in 15 minutes
Best wholesale prices guaranteed
Direct from manufacturer

Delivery & Payment

Shipping Terms

FOB Novorossiysk, Russia CIF Available to major ports worldwide EXW Manufacturer's facility, Russia

Delivery Time

Sea freight: 30-60 days (depending on destination) Air freight: 14-21 days (for urgent orders)

Payment Methods

Letter of Credit (L/C) Wire Transfer (T/T) Escrow Services

Similar Products You May Be Interested In

Verified Suppliers

All products are sourced directly from authorized Russian manufacturers

Quality Assurance

Products meet international quality standards with proper certification

Global Shipping

Reliable logistics solutions to deliver products to your location

Secure Payments

Multiple secure payment options to facilitate international transactions

Your callback request has been received. We'll contact you shortly.