Available for Import
Regulating Valve 10с-5-4Э for Fluid Flow Control and Regulation
Bulk pricing available
FOB, CIF & EXW terms available
Description
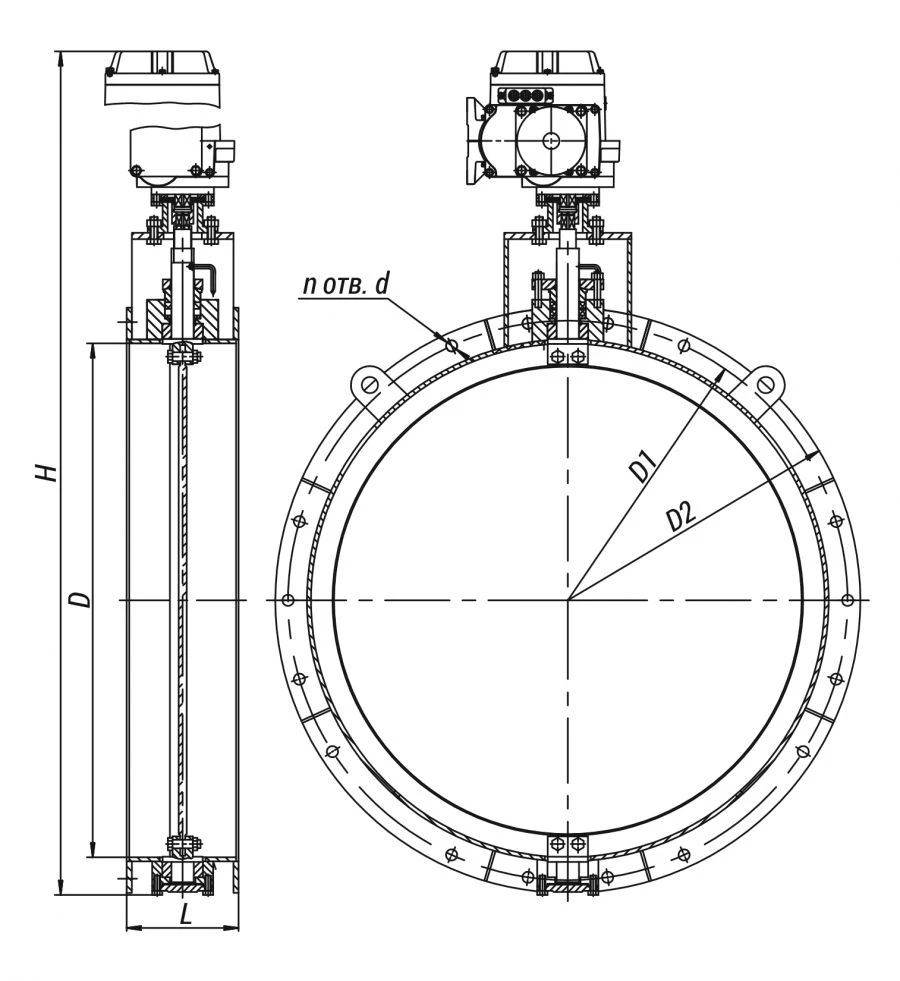
Control valves are used as fluid flow regulators. Smooth regulation within the design flow rate is achieved by the shape of the valve needle. Place of installation: as a rule, they are installed on the cooling water injection pipelines in the cooling water treatment plant, ROU, BROU and on the process pipelines.
Installation requirements: valves are designed for outdoor installation and in closed rooms with ambient temperature up to +70 °C. Valves equipped with built-in actuators should be installed only on horizontal pipeline sections with actuator in upward position. Connection to pipeline: under welding.
Climatic design: ?, ???, ??,? according to GOST 15150-69. Placement category: 1, 2, 3 according to GOST 15150-69.
Specifications
Share your requirements for a quick response!
Delivery & Payment
Shipping Terms
Delivery Time
Payment Methods
Similar Products You May Be Interested In
Protective Mesh Grid for Kanal-KVARK-KP and Kanal-KVARK-KP-ES Fans
View DetailsSlide Gate Valve for Liquid Flow Control, Shandor Model
View DetailsSymmetrical Control Valves DN 50mm to 100mm, PN 14.0 to 105.0 MPa
View DetailsShelf XL Priority Panels for Gas Pressure Control
View DetailsSeries S.KR Control Valves, Type S.KRK for Boiler Feeding
View DetailsRegulating Valve 1416-175-P-02 for Steam Generator Feed Water
View DetailsRegulating Valve Type 18с-6-2Э-06 for Pressure Control
View DetailsGate Valve for Steam Turbine Installations 1156-150-ЭК
View DetailsGate Valve 880-150-KZP for Nuclear Power Plants
View DetailsLiquid Flow Control Valve 10с-3-3-4Э
View DetailsAxial Symmetrical Control Valve KR-250-8-ΔP3.0-LKvy 1000-C0-ХЛ1
View DetailsFlow Control Valve KR-P-50-16-K1-R-F-X-C0
View DetailsVerified Suppliers
All products are sourced directly from authorized Russian manufacturers
Quality Assurance
Products meet international quality standards with proper certification
Global Shipping
Reliable logistics solutions to deliver products to your location
Secure Payments
Multiple secure payment options to facilitate international transactions