Available for Import
Underground Equipment Complex for Gas Extraction and Injection Applications Model 98300
Manufacturer:
IZMERON LLC
Price:
Request Quote
Bulk pricing available
FOB, CIF & EXW terms available
Description
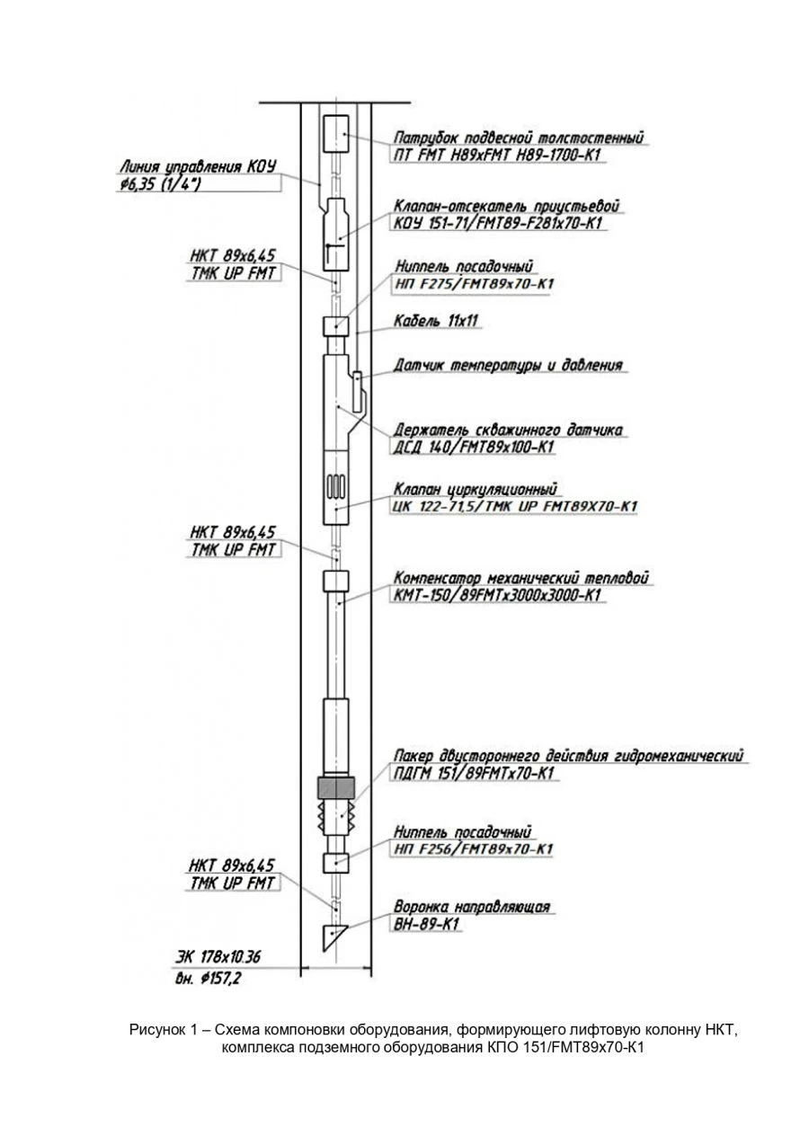
Designed for installation in pipe-cased gas wells, for use in the following technological processes:
-gas and gas condensate production;
-injection of produced formation water into absorbing horizons;
-injection of technical fluid into the productive formation in order to maintain formation pressure; -injection of technical fluid into the reservoir
-injection of technical fluids into the productive formation in order to maintain formation pressure;
-control of thermobaric operating conditions (if pressure and temperature sensors are available);
-well killing, flushing, refilling;
-recovery of the well until formation production is obtained,
-inhibition of downhole equipment.
-gas and gas condensate production;
-injection of produced formation water into absorbing horizons;
-injection of technical fluid into the productive formation in order to maintain formation pressure; -injection of technical fluid into the reservoir
-injection of technical fluids into the productive formation in order to maintain formation pressure;
-control of thermobaric operating conditions (if pressure and temperature sensors are available);
-well killing, flushing, refilling;
-recovery of the well until formation production is obtained,
-inhibition of downhole equipment.
Specifications
Pressure
70 MPa
Model
98300
Share your requirements for a quick response!
Instant response in 15 minutes
Best wholesale prices guaranteed
Direct from manufacturer
Delivery & Payment
Shipping Terms
Delivery Time
Sea freight: 30-60 days (depending on destination)
Air freight: 14-21 days (for urgent orders)
Payment Methods
Similar Products You May Be Interested In
Electric Flame Rescue Device EOS-19IR
View DetailsOpen-Type Fire Safety Shields for Storage of Firefighting Equipment - ЩП-СХ
View DetailsTest Valve with Spout for Cleaning, DN 10, PN 0.6 MPa, ITSHL.491711.009
View DetailsContact Rail RK-10-12.5-1 for Power Distribution
View DetailsSheltered Instrument Cabinet Block Box
View DetailsHose Rewind Drum for Refueling Trucks
View DetailsFood Waste Vacuum Pump Unit with 2.0 m³ Collection Tank, Golfstream-Compact "UV-PO-2
View DetailsGas Filter-Separator Block for High-Pressure Compressors PN250
View DetailsUnderground Equipment Complex K1 for CO2 Environments
View DetailsFuel Level Registration and Indication Device URIs Cакт.467846.005
View DetailsTelescopic Folding Boat Ladder with 3 Gray Steps, Art. 040102GT
View DetailsCorrosion Monitoring Subsystem PCM-TST Type PCM-TST(X)
View DetailsVerified Suppliers
All products are sourced directly from authorized Russian manufacturers
Quality Assurance
Products meet international quality standards with proper certification
Global Shipping
Reliable logistics solutions to deliver products to your location
Secure Payments
Multiple secure payment options to facilitate international transactions